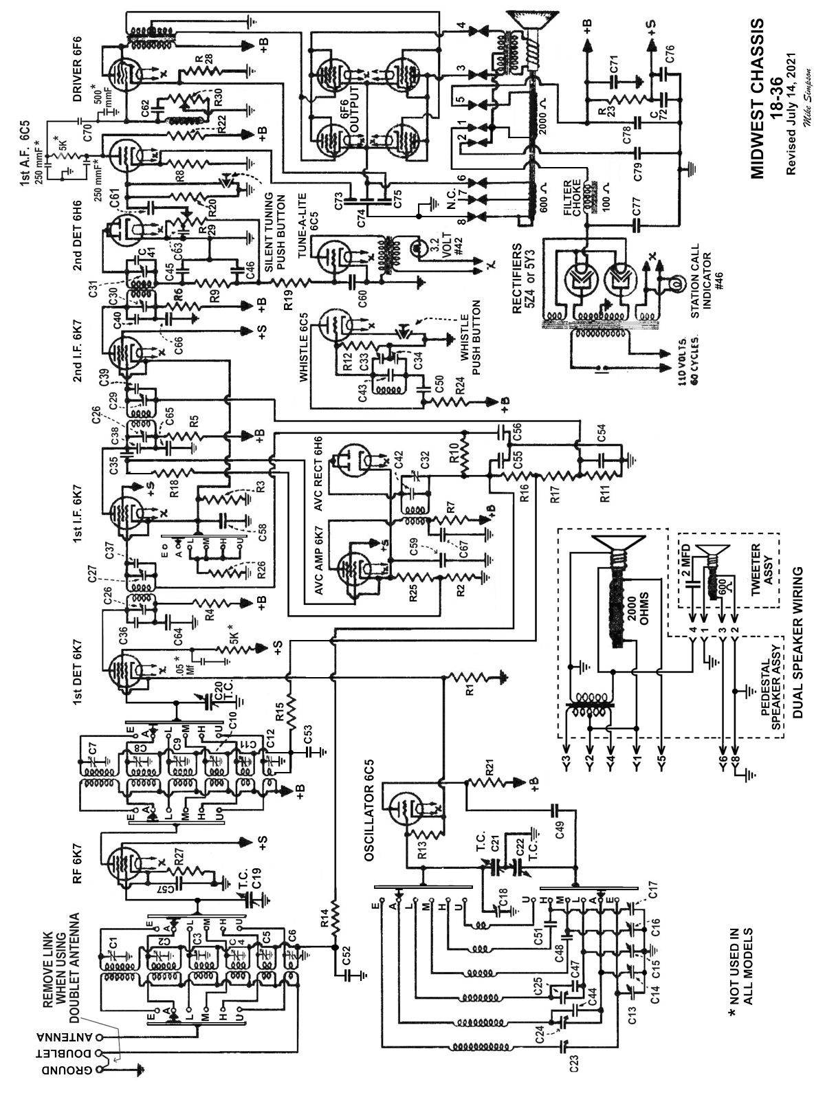
MIDWEST 18-36 SERVICE INFORMATION

To view/print in PDF format Click Here